Information om: ZA.32
ZA stempelpumper kombinerer de bedste egenskaber fra de traditionelle stempelpumper og membranpumper i små enheder med fremragende funktioner.
Denne serie er ideel til brug i applikationer, hvor olie-tåge er uønsket endvidere den oliefri drift garanterer lange intervaller mellem vedligehold.
Denne pumpe kan fungere som en kompressor op til et maksimalt tryk på 3 bar.
I tilfælde af tør eller under tryk start, skal en 3 vejs magnetventil installeres.
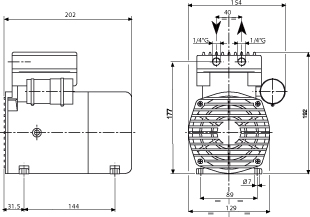
Endelig er en mobil version af denne pumpe med beskyttelses kabinet, håndtag og filter er tilgængelige (se side 144).
Standard udstyr omfatter:
- Termisk beskyttelse (130 ° C)
- Kabel med CEE22 stik
- Shock mounts (kode 1.505.001)
- Lyddæmper (kode 9.002.009)


Downloads:
Generel beskrivelse
Specifikationer
Specifikationer – Data sheet