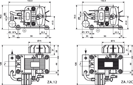
Information om ZA.12 – ZA.12C
Disse små stempel vakuumpumper er specielt designet til en meget bred vifte af applikationer (tandbehandling, medicinsk udstyr, hobbyer og let industri). Designets struktur kræver installation af pumpen i trygge omgivelser. Opstart af stempelpumpen, skal skal ske i overensstemmelse med de specifikke produkt direktiver for stempelpumpen (kun inden for EU).
Vakuumpumperne leveres i 115 V, 230+V 12 Vdc pog 24Vdc udgave.
Standard udstyr omfatter:
- Vibrationsdæmpere
- Lyddæmper
- Termisk beskyttelse (140 ° C)


Downloads:
Generel beskrivelse
Specifikationer 115V og 230V
Specifikationer 12Vdc og 24Vdc