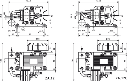
Information om ZA.12 – ZA.12C
Disse små stempelpumper er specielt designet til en meget bred vifte af applikationer (tandbehandling, medicinsk udstyr, hobbyer og let industri). Designets struktur kræver installation af pumpen i trygge omgivelser. Opstart af stempelpumpen, skal skal ske i overensstemmelse med de specifikke produkt direktiver for stempelpumpen (kun inden for EU).
Membranvakuumpumperne leveres i 115Vac, 230Vac samt 12Vdc og 24Vdc
Standard udstyr omfatter:
- Vibrationsdæmpere
- Lyddæmper
- Termisk beskyttelse (140 ° C)


Downloads:
Generel beskrivelse
Specifikationer 115V og 230V
Specifikationer 12Vdc og 24Vdc