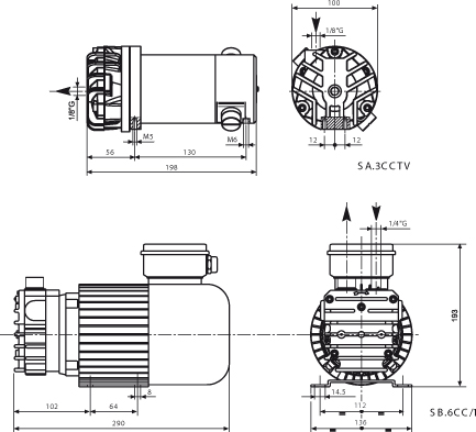
Industriele design for denne 24 Volt DC lamelvakuumpumpe med en ydelse på 6m^3/h. Rotoren er direkte monteret på motorakslen og brugen af lette legeringer betyder, at denne serie af pumper er af begrænset størrelse og vægt og kan indpasses i et begrænset rum.
Perfekt lækage tæthed opnås ved Model TV takket være det specielle design kombineret med FKM pakninger.
- 24 volt DC udgave, S1, i overenstemmelse med EMCdirektiv (2004/108/CE)
Model SB.6 24V DC er også egnet til anvendelse som en kompressor.

Downloads:
General beskrivelse
Specifikationer