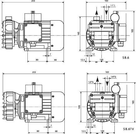
Information about SB.6 – SB.6TV
Det monoblockindustriele design med en ydelse på 6m^3/h. Rotoren er direkte monteret på motorakslen og brugen af lette legeringer betyde, at denne serie af pumper er af begrænset størrelse og vægt og kan indpasses i et begrænset rum, forudsat at der er god ventilation. Perfekt tæthed opnås på tv-modelle takket være det specielle design kombineret med særlige pakninger. Pumpens afkøling sikres med motorens ventilator.
Standard udstyr omfatter:
- Beskyttende filter ved indløbet
- Lyddæmper ved udløbet (kun SB.6)
Model SA.6 er egnet til anvendelse som en kompressor, se tekniske funktioner og tilbehør i den generelle beskrivelse.

Downloads:
Generel beskrivelse
Specifikationer