HIGH VACUUM PUMP RD.2D
°C – Temperatura ambiente 20°C.
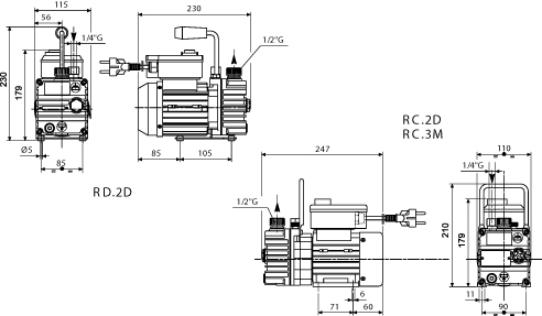
Information about: RD.2D
The models were specifically designed for refrigeration and conditioning applications. The double stage and the single stage constructions provide optimal final pressure. The monoblock industrial design with the rotor directly assembled on the motor shaft and the use of light-weight alloys mean that this series of pumps is of limited size and weight and can be fitted into a limited space, provided there is good ventilation or that they are assembled on mobile equipment.
Standard equipment includes:
- Thermal protector (130°C 1~ only)
- Handle for transport
- Gas ballast (only RC.2D and RC.3M)
- On/off switch and cable with schuko plug (1~ only)
- Oil check valve
- Pack of oil
- Shock mount (only RD.2D)


Downloads:
Generel beskrivelse
Specifikationer
Specifikationer – data sheet
HIGH VACUUM PUMP RD.2D