Information om RC50M
Reduceret støj og nem vedligeholdelse er de vigtigste karakteristika ved denne serie af vakuumpumper, det gør vakuumpumperne særdeles velegnet til køle-og klimaanlæg sektoren, industrielle centrifugal maskiner, ædelmetal vakuum støbning og luftsluser.
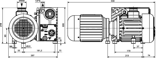
En kobling med direkte drev forbinder motor og pumpe og sikrer en stabil drift, lang levetid og nem vedligeholdelse, og desuden sikrer dæmpningen og genvindingssystemet, udstyret med en by-pass ventil, fravær af oliedampe ved udløbet.
Standard udstyr omfatter:
- Gas Ballast
- Vibrationsdæmpere
- Olie kontraventil
- Pakke med SW60 olie
- Udstødning dråbeudskiller


Downloads:
Generel beskrivelse
Specifikationer
Specifikationer – Data sheet
Information om RC50M