CPA DUPLEX 25 til 305 m^3/h
CPA enkelt pumpe vakuum systemer bruges hovedsagelig til centralvakuumanlæg, eller til vakuuminfusion, eksempelvis af vindmøllevinger. Vakuumanlægget bruges også i visse vakuumløftere, hvor buffertanken kan anvendes som ekstra forsyning af vakuum og ved eventuelt pumpestop.

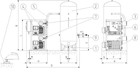
Disse enheder består, i standard udførelse af:
- En oliesmurt vakuumpumpe med en ydelse fra 25 m^3/h til 305m^3/h, inklusiv to vakuumpumper elektrisk motor, olieseparator og udstødningsfilter.
- Enten vakuum-sikrede horisontal stål buffertank med en kapacitet på enten 100, 300 eller 500 L, eller en vertikal udført vakuumtank med en kapacitet på 1000 litre. Begge udgaver inkluderer en drænventil til at dræne tanken for eventuel kondens
- Et supplementær vakuumsikrede indløbsfilter
- En integreret kontraventil, for at fastholde vakuumniveauet i buffertanken, mens vakuumpumpen er stoppet.
- En manual ventil i indløbet af buffertanken, for at kunne isolere vakuumpumpen fra processen.
- Et elektronisk kontrolpanel (leveres standard som 400V 50-60Hz) start/stop, nødstop, motorværn, vakuumtransmiter og PLC-styring, som er forudprogrammeret til at starte/stoppe vakuumpumperne, enten manuelt, eller automatisk. Kontrolpanelet leveres som standard i IP55 udførsel.

Downloads:
Vakuumanlæg CPA duplex
CPA DUPLEX 25 til 305 m^3/h