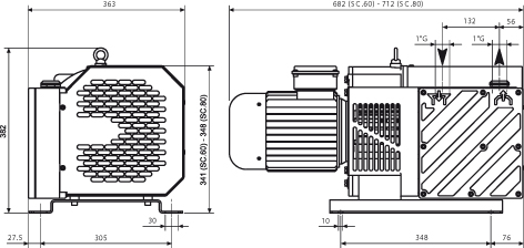
Information om: SC.60 – SC.80
Denne serie af vakuumpumper har rotoren monteret på akslen fixeret med to lejer.
Motoren er koplet til rotoren ved hjælp af en fleksibel kobling.
En kraftig ventilator installeret mellem kompressorhuset og motoren sikrer optimal køling og et robust kompakt kabinet beskyttelse holder støjniveauet meget lavt.
Standard udstyr omfatter:
- Beskyttende filter ved indløbet
- Lyddæmper ved udløbet

Downloads:
Generel beskrivelse
Specifikationer